0571-82307113
ERP
中文版
En
首页
关于米格
公司简介
董事长致辞
合作交流
企业文化
荣誉资质
产品与服务
伺服电机
步进电机
主轴电机
新能源电机
营销网络
典型客户
应用领域
科技创新
技术研发
质量管理
精工制造
新闻中心
米格新闻
行业动态
人力资源
人才战略
人才招聘
服务下载
资料下载
视频中心
联系我们
中文版
En
您所在的位置 :
首页
>
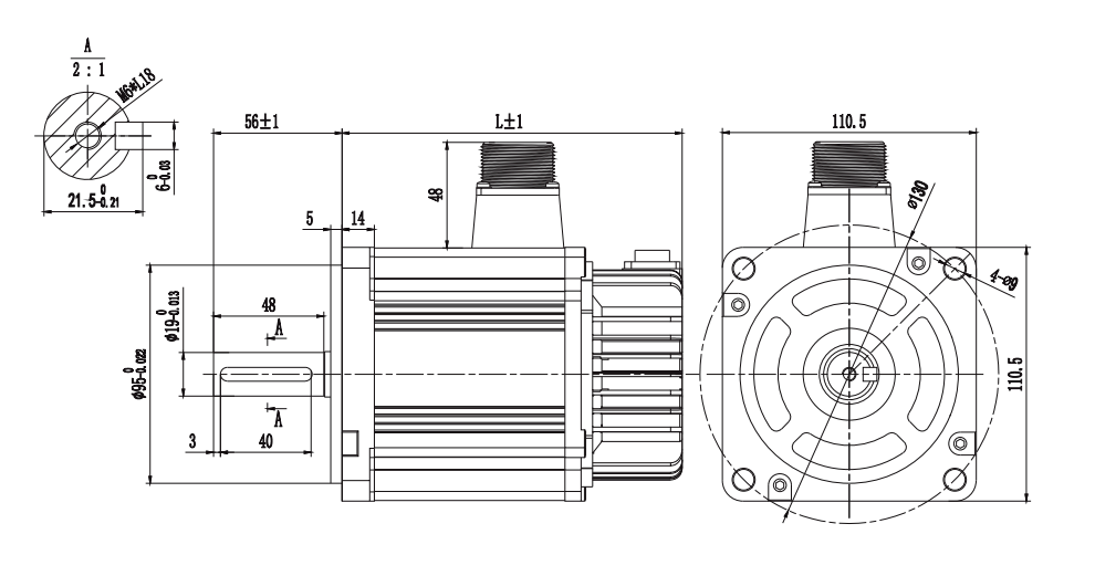
B系列伺服电机
110B1细节图
110B1外形图
技术参数 :